

CPC-II
Current-to-Pressure Converter
Applications
The CPC-II (current to pressure
converter, generation II) is an

electrohydraulic pressure-regulating
valve control designed for use in
positioning single-acting steam turbine
valve servos. This CPC’s superb
accuracy and resolution make it ideal
for steam turbine valve control and
related turbine speed and load
control. The CPC accepts a 4–20 mA
pressure demand signal and
accurately controls oil pressure to
precisely position single-acting steam
turbine governor-valves. Precise and
stable steam valve control directly
relates to improved steam turbine
speed and load control and reduced
system mechanical wear.
The CPC’s redundancy features make it ideal for critical steam turbine applications,
where turbine up-time and availability are essential. This converter can be configured to
accept redundant pressure demand inputs, from one or two (redundant) controllers, and
vote the input to follow. Alternatively the CPC can be configured to accept signals from
both its internal oil pressure sensor and an external (redundant) oil pressure sensor, and
use the voted healthy signal.
The CPC’s robust design (strong actuator, corrosion-resistant material, single moving
rotary valve, and self-cleaning port design) makes it ideal for challenging applications
where dirty or contaminated oil may be present.
• Oil contamination
resistant
• Precise fluid
pressure control
• Stable & linear valve
control
• Included valve
linearization table
• Redundant
inputs/sensors for
critical applications
• Accepts signals
from redundant
controllers
• Redundant (dual)
CPCs
(Master/Slave)
functionality
• Standard mounting
and hydraulic
connections
• Self cleaning valve
algorithm
• Status & health
indication
Optionally two controllers can be connected to a single CPC in a redundant Master/Slave
fashion to allow the turbine to continue to operate if either turbine control fails, or on-line
changes are desired. Designed for use in applications requiring full redundancy,
optionally two CPCs can be applied in a dual-redundant fashion, simplifying the entire
system and control wiring.
Description
The CPC is an electrohydraulic pressure-regulating valve control that utilizes a very
accurate internal pressure sensor and PID controller to precisely control steam turbine
valves. The CPC consists of a valve-actuator assembly, pressure sensor, and electronic
driver module. The unit’s driver module accepts one (or two) 4–20 mA pressure setpoints
and compares these setpoints to the sensed oil pressure, to accurately control turbine
valve oil pressure.
The CPC controls oil pressure by porting supply-oil to its control-oil output port (turbine
valve control oil) or back to the system supply tank. This converter’s special PID
architecture allows it to perform very stable pressure control during normal conditions,
and respond in milliseconds to desired valve step changes during system or plant
transients. As a means of protecting the turbine, an internal valve-return-spring forces the
CPC to a failsafe position (port oil to drain) and safely close turbine control valves upon
any internal unit failure (electrical input power failure, pressure sensor failure, processor
failure, etc.).
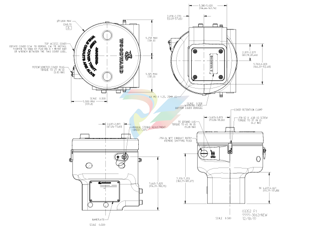
The CPC is factory and/or field configurable via a computer
based service tool. The CPC’s PCI Service Tool uses a simple
user-friendly format to allow users to easily configure,
calibrate, and adjust all internal functions and PID control
settings. The CPC includes a 4–20 mA output channel to
indicate control oil pressure level, and unit alarm and shutdown
relay outputs for use as unit health and status indications into
the system controller or plant DCS.
A Manual Stroke function allows users to manually stroke the
CPC output pressure (turbine valve position) locally at the
unit, via an internal Manual Stroke Screw. This local manual
stroke function is designed with built in security logic to
protect the users from un-intentional use of this function
during normal operation. Manual Stroke capability is also
available via remotely or locally via the CPC’s computer
based PCI Tool.
Since flow through single and staged inlet steam valves tend
to be non-linear throughout their flow range, turbine controls
are typically de-tuned to compensate for instability or
sluggish control points throughout this range. As a way of
allowing turbine control optimization, the CPC includes an
eleven-point linearization table to allow turbine OEMs or
users to compensate for poor valve linearization by digitally
linearizing the control to valve flow relationship.
Because many turbine users utilize redundant pressure
converters to increase system reliability, and because these
type of applications are prone to silting build-up problems in
the slave unit, a special “Silt Buster” (patent pending) routine
is also configurable to routinely remove internal silt build-up.
Accessories
A standard steel adapter plate is available to allow the CPC
to easily interface with systems designed for Voith I/H
converters.

Specifications
Performance
Accuracy: < ±0.2 % of full range
Repeatability: 0.1 % of full range
Temperature Drift: < ±0.01 % of full range /°C
Pressure stability: < ±2 % of setpoint
Add: High-tech Software Park, Xiamen City, Fujian Province
Mobile: +86-17750019513(WhatsApp)
Email: yy4291644@gmail.com
Website: https://www.abb-sis.com